SOUNDIMPORTS DIY COMPETITION 2024 | The winning project!
Among the many submissions we received in response to our "Share Your Best Project" call, one stood out for its creativity, finish, and sophistication in loudspeaker construction. This exceptional project was submitted by Petr Koroucek, and we are thrilled to reward him with a gift voucher for their outstanding work and craftsmanship.
The Ellips-P Loudspeaker project | Concept and design
Petr has crafted the Ellips-P, an exquisite large 3-way floorstanding loudspeaker, which demonstrates remarkable engineering and aesthetic finesse. This project is not just a testament to Petr's skills but also a pinnacle of acoustic excellence.
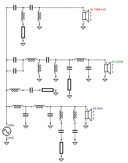
The Ellips-P loudspeaker is a testament to meticulous design. It features a 12" woofer, a 6" midrange, and a 1.5" tweeter, each housed in a beautifully crafted cabinet. The passive crossover design, with frequencies set at 250Hz and 1800Hz, ensures a harmonious blend of sounds across the spectrum.
The technical components of the Ellips-P are ingeniously integrated. The selection of premium drivers from Scan Speak and Bliesma, along with a careful choice of crossover components from Jantzen, highlights Petr's commitment to quality. The woofer is aligned in a closed box for precise low-frequency response, while the whole setup maintains an impressive sensitivity of 86dB/2.83V/1m.
The Ellips-P delivers an immersive sound experience. The detailed planning and design have resulted in a loudspeaker that not only looks stunning but also produces crystal-clear audio with depth and richness. The project includes various innovative elements like a state-of-the-art tweeter with a waveguide and a front baffle with quarter-ellipsis roundovers, effectively eliminating diffractions.
Construction highlights
Cabinet: Custom-designed with specific dimensions, featuring a 75L volume for the woofer.
Drivers: Carefully selected for their performance, including the Scan Speak 32W/4878T00, 18WE/4542 Ellipticor and the Bliesma T34B Tweeter + 6" Waveguide.
Crossover Design: Thoughtfully assembled with Jantzen components to ensure seamless audio transition.

Meticulous Measurement Process
In the creation of the Ellips-P loudspeaker, Petr Koroucek demonstrated an exceptional level of dedication and precision in the measurement process. This critical phase involved detailed acoustic measurements, ensuring that each component of the loudspeaker worked harmoniously to produce the best possible sound. Petr meticulously measured the frequency response, impedance, and distortion of each driver, using advanced equipment and techniques. This rigorous approach allowed him to fine-tune the crossover design and driver alignment, achieving an ideal balance between technical accuracy and sonic performance. The extensive time and effort invested in these measurements are evident in the exceptional clarity, depth, and richness of the sound produced by the Ellips-P, making it a true masterpiece of audio engineering.

Visit Petr's blog to view graphs in more detail
Your thoughts
What do you think of this DIY loudspeaker project? The Ellips-P represents a harmonious blend of technical prowess and artistic design. Feel free to share your questions and opinions in the comments below!


Pictures of the construction process




Used Components
Drivers
Scan Speak 32W/4878T00 Woofer
Scan Speak 18WE/4542 Ellipticor Midrange
Bliesma T34B Tweeter + 6" Waveguide
Crossover Components
Jantzen Cross Caps or standard Z-Caps
Specific inductors and resistors for optimal crossover functionality
Cabinet and other
Custom wood panels for cabinet
Damping materials for internal acoustics
Various screws and hardware for assembly
Giovanni D'urso
Posted on friday 14 june 2024 07:40
Sale vorrei sapere se il kit è in vendita? Se è si quanto costerebbe. Grazie
Show more

Home audio
Audio components
Crossover components
Test & measurement
DIY kits
Accessories
New products
Speakers
Amplifiers
DAC converters
DSP modules
Turntables
Streamers
Woofers
Tweeters
Exciters
Bass shakers
Plate amplifiers
Amplifier modules
Single board computers
Assembled crossovers
Printed Circuit Boards (PCB)
Capacitors
Resistors
Coils
Circuit Breakers
Crossover tools
Screw terminals
Acoustic measurements
Electric measurements
Sound level meters
DIY amplifier kits
DIY component packs
DIY speaker kit
DIY subwoofer kits
DIY bluetooth speaker
DIY electronics kits
Binding posts
Cabinet Hardware
Cables
Connectors
Speaker cabinets
Electromechanics
Power supplies
Speaker repair
Workshop & tools
Amplifier accessories
Stands & mounts
Gift voucher
Books
New products









Speakers
Amplifiers
DAC converters
DSP modules
Turntables
Streamers
Woofers
Tweeters
Exciters
Bass shakers
Plate amplifiers
Amplifier modules
Single board computers
Assembled crossovers
Printed Circuit Boards (PCB)
Capacitors
Resistors
Coils
Circuit Breakers
Crossover tools
Screw terminals
Acoustic measurements
Electric measurements
Sound level meters
DIY amplifier kits
DIY component packs
DIY speaker kit
DIY subwoofer kits
DIY bluetooth speaker
DIY electronics kits
Binding posts
Cabinet Hardware
Cables
Connectors
Speaker cabinets
Electromechanics
Power supplies
Speaker repair
Workshop & tools
Amplifier accessories
Stands & mounts
Gift voucher
Books
New products






